GH-06020DC is GH Series Mini Ac Servo 200W  0.64 Nm 3000rpm With Brake And Cables System 220V  Servo Kit For CNC

GH Series 200W 0.64 Nm Mini Ac Servo


GH-06020DC is GH Series Mini Ac Servo 200W 0.64 Nm 3000rpm With Brake And Cables System 220V Servo Kit For CNC
Send Inquiry

GH Series 200W  0.64 Nm Mini Ac ServoSD40752075-3



`M8AR_2R@BHJ$0XG)NN0A40

Specifications

 

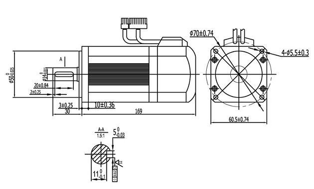
Rated Power (W): 200 W
Continuous Torque: 0.64 Nm
Peak Torque: 1.9 Nm
Rated Rotation Speed (r/min): 3000 RPM
Encoder Resolution (PPR): 2500

Rated Voltage (V): 220

Rated Current (A): 1.5

Rotor Inertia (kg.m2x10-4): 0.17 Application Environment:

Work temperature: 0°C ~ 40°C

Relative Humidity: < 90% RH

Altitude : < 1000 m

Non corrosive ,non flammable gas and dust and oil-mist


Application

CNC Machinery,printing equipment, packaging equipment, textile equipment, laser processing equipment,robotics, automated production lines, such as processing precision, processing efficiency and reliability, and other requirements of the relatively high equipment.

Motor Model SZGH-06020DC
Rated Power(W)200
Rated Voltage(V)220
Rated Crrent(A) 1.2 
Rated Speed(RPM) 3000
Rated Torque(NM)0.637
Peak Torque(NM)1.91
Voltage Constantv10r/min 30.9
Torque Coefficient(NM/A)0.53
Rotor Inertia(Kg.m²)0.175*10
Line-Line Resistance(Ω)9.18
Line-Line Inductance(mH) 29.3
Machanical Time-Constant(Ms)4.74
Encoder Resolution(PPR) 2500
Insulation Class Class B
Safety ClassIP65
The Operating of Evironmental Condition Temperature:-20℃~+45℃ Humidity Below 90%RH(No drawing)
Weight(KG)1.16

9(001)


FAQ

Q: Do you support customized manufacturing?

A: Yes,we can customized manufacturing according to customer's requirment. We support to OEM your own company display interface and logo.

Q: How long is your delivery time?

A: Generally it is 3-5 days if the goods are in stock. or it is 5-10 days if the goods are not in stock, it is according to quantity.10-20 days if customized manufacturing.

Q: Do you provide samples ? is it free or extra ?

A: Yes, we could offer the sample with sample price.

Q: What is your terms of payment ?

A: Payment<=2000USD, 100% in advance. Payment>=1000USD, 70% T/T in advance ,balance before shippment.

Does your CNC controller have PLC function?
Yes,it does.We have two kinds different configuration,one is 24*24 I/Os,the other is 32*32 I/Os.We support specified PLC software for free.Other supplier’ CNC controller does not have the PLC programming function, but our CNC1000M series has the function, also in order to convenient to our clients operation, our CNC can work programming by the computer directly, after you finished , you can copy to controller , so that you do not need stay at front of machinery , very tire to work.


If you have another question, pls feel free to contact us as below


Send Inquiry

FAQ

The following are the common questions we have collected about CNC Machine.
1. Q: What industries and materials are your machine tools primarily suitable for?
+
A: Our extensive machine tool product line meets the needs of various industries, primarily automotive parts manufacturing, precision molds, and general hardware processing. Regarding materials, our machines can efficiently process a variety of steels, aluminum alloys, copper alloys, cast iron, as well as some engineering plastics and composite materials. The capabilities of individual models vary; please provide your specific processing requirements and we will recommend the most suitable model.
2. Q: What are the core advantages of your machine tools compared to similar products on the market?
+
A: Our core advantages are primarily reflected in three aspects: Peace of mind: For software, we have one-on-one service from technical engineers to help you quickly master our controllers. For hardware, our cast iron bodies are durable and long-lasting, and come with a one-year warranty, providing you with the ultimate assurance. Intelligence and ease of use: A wide range of optional accessories allows for customization, and supports automated loading and unloading interfaces, significantly improving production efficiency and the human-machine collaboration experience. Excellent value for money: Through vertically integrated supply chains and lean manufacturing, we offer competitive pricing and a faster return on investment while maintaining world-class quality.
3. Q: What kind of after-sales service and technical support do you provide after purchasing a machine tool?
+
A: We offer comprehensive after-sales support: Professional Training: Upon delivery, our engineers provide one-on-one operation, programming, and maintenance training. Warranty Policy: The entire machine comes with a 12-month warranty. Quick Response: We have a 24/7 online technical support hotline, promising remote support within 24 hours for any issues.
4. Q: What are the delivery time and logistics arrangements for the machine tools?
+
A: For standard models, we typically have them in stock or have a short delivery time of less than 15 business days. Customized models have a delivery time of approximately 45 days, depending on the configuration requirements. After placing an order, our project manager will follow up every step of the way. We provide professional wooden crating and rust-proofing, and work with reliable logistics partners to ensure the equipment arrives safely and on time at your address.
5. Q: If I require a customized solution, can you provide support?
+
A: Of course! Customization is one of our core capabilities. Our team of dedicated application engineers can customize your workpiece, production line layout, and automation needs. This includes, but is not limited to, specialized fixtures, expanded tool magazine capacity, integrated robotic interfaces, and the creation of complete flexible manufacturing cells. Feel free to contact our technical sales team to discuss your needs.