GH-06040DC is 400W servo motor,optimizing design, compact,beautiful contour,long-term continuous working in rated working mode and economic type,very wide of application to lots of industry .

3 Phase/ Single Phase 400W Ac Servo Motor


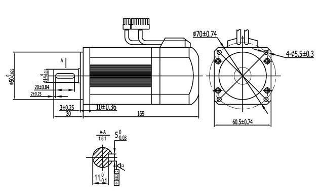
GH-06040DC is 400W servo motor,optimizing design, compact,beautiful contour,long-term continuous working in rated working mode and economic type,very wide of application to lots of industry .
Send Inquiry

3 Phase/ Single Phase 400W Ac Servo Motor and Driver Used in Positioning and Speed Control

`M8AR_2R@BHJ$0XG)NN0A40

1%1AH[DSI4(KRDN4Y5EQ@MM

Features

GH-06040DC is 400W servo motor,optimizing design, compact,beautiful contour,long-term continuous working in rated working mode and economic type,very wide of application to lots of industry .

The match servo driver, SD2004,GH-201,that matching for 400W servo motor.


Application

CNC Machinery,printing equipment, packaging equipment, textile equipment, laser processing equipment,robotics, automated production lines, such as processing precision, processing efficiency and reliability, and other requirements of the relatively high equipment.

Motor Model SZGH-06040DC
Rated Power(W)400
Rated Voltage(V)220
Rated Crrent(A) 2.8 
Rated Speed(RPM) 3000
Rated Torque(NM)1.27
Peak Torque(NM)3.9
Voltage Constantv10r/min 29.6
Torque Coefficient(NM/A)0.45
Rotor Inertia(Kg.m²)0.29*10
Line-Line Resistance(Ω)2.35
Line-Line Inductance(mH) 14.5
Machanical Time-Constant(Ms)6.17
Encoder Resolution(PPR) 2500
Insulation Class Class B
Safety ClassIP65
The Operating of Evironmental Condition Temperature:-20℃~+45℃ Humidity Below 90%RH(No drawing)
Weight(KG)1.6


9(001)


FAQ

Q: Do you support customized manufacturing?

A: Yes,we can customized manufacturing according to customer's requirment. We support to OEM your own company display interface and logo.

Q: Whats your MOQ?

A: If we have the products in stock, it will be no MOQ. If we need to produce, we can discuss the MOQ according to customers exact situation.

Q: Which payment form you can accept?

A: T/T, Western Union, PayPal etc. We accept any convenient and swift payment term.


Q: Do you provide samples ? is it free or extra ?

A: Yes, we could offer the sample with sample price.



Send Inquiry

FAQ

The following are the common questions we have collected about CNC Controller.
1. Q: What services do you provide?
+
A: We offer one-stop service. We can customize the most suitable processing solution based on your ideas and product drawings. We have partnerships with major shipping companies such as DHL, FEDEX, and UPS to ensure timely delivery. Products can be delivered to you within 3-6 business days.
2. Q: What can you do for CNC machine tool retrofit and upgrade?
+
A: We can provide a complete CNC system. Our controller supports ATC and PLC and runs G-code. Support multiple languages, Russian, Spanish, English, Chinese, etc.The kit includes the controller, spindle servo motor and driver, servo motor drivers for each feed axis, and all standard cables, user manuals, and wiring diagrams. Our CNC control system is fully connected before shipment and tested 3-5 times for plug-and-play operation.
3. Q: What is your after-sales service like?
+
A: Our professional after-sales engineers provide 24-hour, one-on-one, free service. You don't have to worry about any after-sales issues.
4. Q: What optional accessories are available for CNC machine tools?
+
A: You can choose different accessories based on your machining needs. CNC Lathe:Servo turret, hydraulic chuck, manual chuck, Parts Catcher, Tailstock,guide bush,Flying knife disc,Tailstock,living tool,bar feeder, chip conveyor, etc. CNC Milling Machine: Fourth and fifth axis CNC rotary tables,Tailstock,BT30/BT40 holder, tool setters, probes, etc.
5.Q: How do you maintain the machine?
+
A: You must receive safety training before use. Regularly clean chips, check the air supply/oil pressure, lubricate the guideways, and inspect tool wear.