Products
SZGH-06020DC is 200W servo motor, 3000 rpm,it is low cost , and very general-purpose type. Imported feedback components, original imported low-noise motor .

Mini AC Servo Motor 200W 0.64Nm


SZGH-06020DC is 200W servo motor, 3000 rpm,it is low cost , and very general-purpose type. Imported feedback components, original imported low-noise motor .
Send Inquiry

Mini AC Servo Motor 200W 0.64Nm 3000rpm AC Servo Motor And Motor Driver For Machine Matched CNC Controller

Hbd61397a57ea4b18a247b7a84f515431p

Features

GH-06020DC is 200W servo motor, 3000 rpm, usually applied in lots of high speed equipment, such as: sewing machinery, all kind of CNC equipment.

There is a type servo driver, GH-SD2004, which matching for 200W servo motor.


Application

CNC Machinery,printing equipment, packaging equipment, textile equipment, laser processing equipment,robotics, automated production lines, such as processing precision, processing efficiency and reliability, and other requirements of the relatively high equipment.



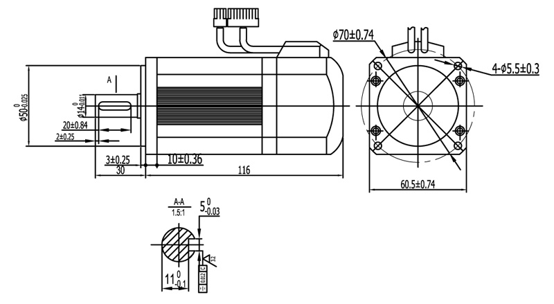
Motor ModelSZGH-06020DC
Rated Power(W)200
Rated Voltage(V)220
Rated Crrent(A)1.2
Rated Speed(RPM)3000
Rated Torque(NM)0.637
Peak Torque(NM)1.91
Voltage Constantv10r/min30.9
Torque Coefficient(NM/A)0.53
Rotor Inertia(Kg.m²)0.175*10
Line-Line Resistance(Ω)6.18
Line-Line Inductance(mH)29.3
Machanical Time-Constant(Ms)4.74
Encoder Resolution(PPR)2500
Insulation ClassClass B
Safety ClassIP65
The Operating of Evironmental ConditionTemperature:-20℃~+45℃ Humidity Below 90%RH(No drawing)
Weight(KG)1.16

8(001)

9(001)

10

11

_20210817162726

_20210817162726

H6aada374ce7d45d883021e74cc0b9923f

]BVIN0(GRPITID%ZGU37~R5

_20210813174452


FAQ

Q:What is a servo motor used for?

A:In modern cars, servo motors are used to control its speed. When stepping on the gas pedal, it sends electrical signals to the car's computer. The computer then processes that information and sends a signal to the servo attached to the throttle to adjust the engine speed.

Q: May I know what’s the nearest airport from your company?

A: First Shenzhen Airport, then Guangzhou or Huizhou airport, welcome to visit us.

Q: When can I get the quotation?

A: We usually quote within 3 hours after we get your inquiry. If you are very urgent to get the price, please tell us so that we will regard your inquiry priority.

Q: What about the lead time for mass production?

A: 6-8 working days for mass production. It depends on your quantity, and we will try our best to meet your needs.

Q: Can we use our own logo?

A: Yes, we can print your private logo according to your request.


If you have any other questions about our Mini AC Servo Motor 200W 0.64Nm 3000rpm, pls feel free to contact us as below!


Send Inquiry

FAQ

The following are the common questions we have collected about CNC Machine.
1. Q: What industries and materials are your machine tools primarily suitable for?
+
A: Our extensive machine tool product line meets the needs of various industries, primarily automotive parts manufacturing, precision molds, and general hardware processing. Regarding materials, our machines can efficiently process a variety of steels, aluminum alloys, copper alloys, cast iron, as well as some engineering plastics and composite materials. The capabilities of individual models vary; please provide your specific processing requirements and we will recommend the most suitable model.
2. Q: What are the core advantages of your machine tools compared to similar products on the market?
+
A: Our core advantages are primarily reflected in three aspects: Peace of mind: For software, we have one-on-one service from technical engineers to help you quickly master our controllers. For hardware, our cast iron bodies are durable and long-lasting, and come with a one-year warranty, providing you with the ultimate assurance. Intelligence and ease of use: A wide range of optional accessories allows for customization, and supports automated loading and unloading interfaces, significantly improving production efficiency and the human-machine collaboration experience. Excellent value for money: Through vertically integrated supply chains and lean manufacturing, we offer competitive pricing and a faster return on investment while maintaining world-class quality.
3. Q: What kind of after-sales service and technical support do you provide after purchasing a machine tool?
+
A: We offer comprehensive after-sales support: Professional Training: Upon delivery, our engineers provide one-on-one operation, programming, and maintenance training. Warranty Policy: The entire machine comes with a 12-month warranty. Quick Response: We have a 24/7 online technical support hotline, promising remote support within 24 hours for any issues.
4. Q: What are the delivery time and logistics arrangements for the machine tools?
+
A: For standard models, we typically have them in stock or have a short delivery time of less than 15 business days. Customized models have a delivery time of approximately 45 days, depending on the configuration requirements. After placing an order, our project manager will follow up every step of the way. We provide professional wooden crating and rust-proofing, and work with reliable logistics partners to ensure the equipment arrives safely and on time at your address.
5. Q: If I require a customized solution, can you provide support?
+
A: Of course! Customization is one of our core capabilities. Our team of dedicated application engineers can customize your workpiece, production line layout, and automation needs. This includes, but is not limited to, specialized fixtures, expanded tool magazine capacity, integrated robotic interfaces, and the creation of complete flexible manufacturing cells. Feel free to contact our technical sales team to discuss your needs.